Multi-Wii-Kopter im Eigenbau ! 
al   ö
 r l

... hier ein paar der bisher gebauten:
   a a 2 
       Quadro 'Holz'                                     Hexa 'Alien'                             Hexa 'Spider'                      Hexa 'Stern'                                     Quadro 'Mini'

Da der KK-Multikopter in seinen Möglichkeiten im Kunstflug doch etwas eingeschränkt war wurde ein Kopter auf Basis des WII-Motion-Kreisels aufgebaut !
... als Rahmen verwendete ich den schon vorhandenen KK-Kopter-Rahmen, da die neue Platine recht einfach auf diesen plazierbar ist !
Eine genauere Beschreibung des 'elektronischen' Aufbau's erspare ich mir hier, da dies mittlerweile schon hundertfach im Netz zu finden ist !

Was wird benötigt ?

zu aller erst etwas zur Motivation ... schaut Euch mal die Videos von Warthox  an ... genial ... hier fliegen wir beide unsere "Alien-Hexa's" ... chicken-run  ... Spiderzecke !

1. ... Links mit Bauinfos zum MultiWii-Copter: microcopters.de multiwiicopter.com   multiwii.com  RC-Network-Forum  rc-groups-Forum_1  rc-groups-Forum_2 
2. ... Arduino-Platine und mehr ... z.B hier ! 
3. ... Wii-Motion (Erweiterung für den Wii-Controller) ... am billigsten bei Ebay
4. ... USB-Programmierkabel ... z.B. hier !
5. ... Systemsoftware für den Arduino-Prozessor ... hier ! 
6. ... PC-Software bzw. Compiler zum Aufspielen der Software und zum Testen der Grundfunktionen bzw. einstellen der PID-Reglerparameter  ... hier !
7. ... Motoren,Regler etc. ... eigentlich bei jedem Modellbauhändler oder auch bei Lipoly.de ! 

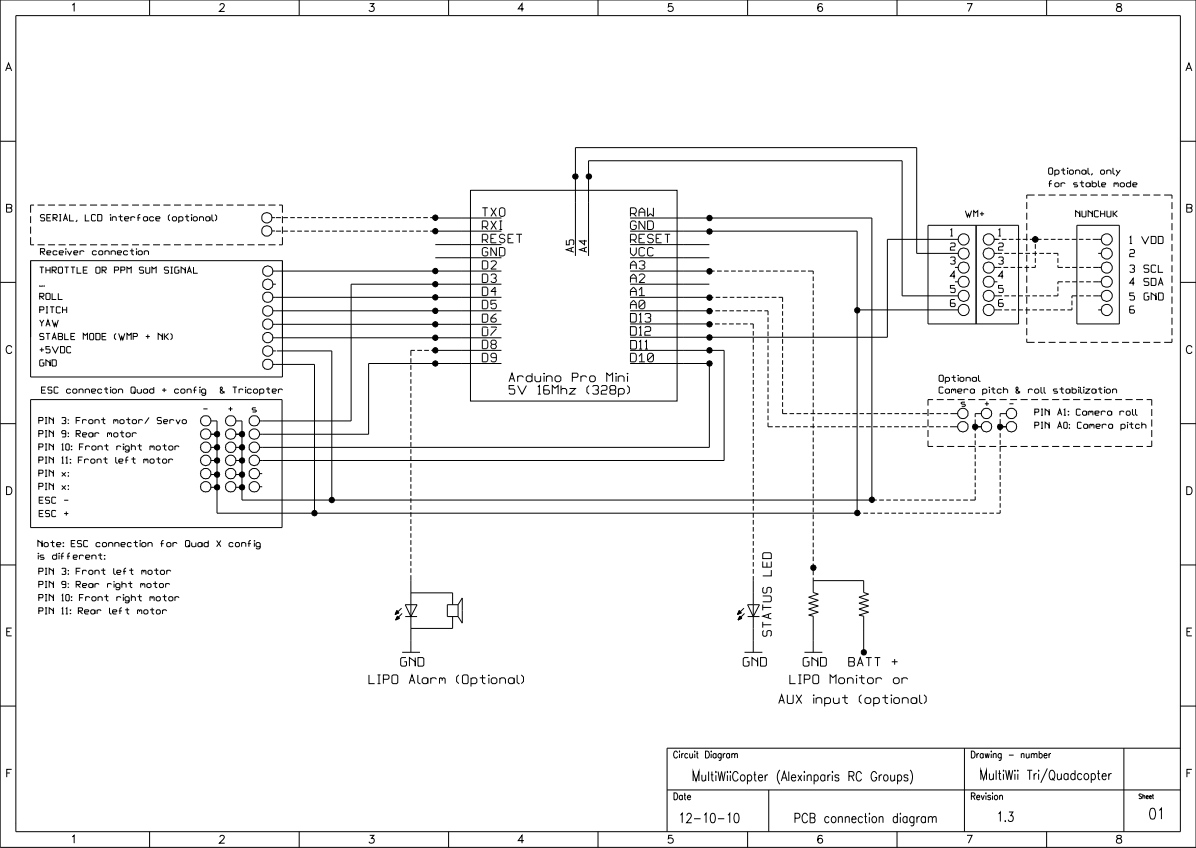
 ... hier ein paar grundsätzliche Informationen ... das 1. ist das heilige MultiWii-Blatt ... für alle Multiwii-Kopter unbedingt anzuwenden:

   

Mein 1. MultiWii-Kopter als Quadro in Holz/GFK 



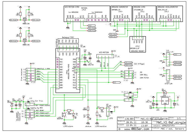
Um die Verdrahtung zu minimieren habe ich mir eine kleine Adapterplatine, welche die Verbindung zwischen Wii-Motion-Kreiselplatine und dem Arduino-Board bzw. die Verbindung
zu den Reglern/Empfängerausgängen herstellt, gefräßt ! 
  ... nach diesem Plan wird verschaltet ! 

l ... die Ausleger enstehen aus einem Sperrholz/GFK-Sandwich 

... Komplett montiert sieht das dann so aus ... mit Arduino-Board, WII-Motion-Kreisel, Wii-Nunchuck-Beschleunigungssensoren und Adapterplatine ! 
    


 j ... nun Platine in Rund ... robuster und universeller verwendbar ! 

... da das ganze nun perfekt funktioniert wurde die Adapterplatine von mir überarbeitet, geroutet und professionell hergestellt ! 

   ... meine aktuelle MWC-Schaltung bzw. Platine ! 

   
... optional bestückbar --> Tongeber/LED zur Akkuüberwachung und Pegelwandler zur IIC-Anbindung externer Sensoren !  

... hier die Minimalbestückung ... die Arduino-Platine ist steckbar ... die Wii-Motion-LPL wird mit vier Drähtchen verbunden !

    
... noch je vier Leitungen zum Empfänger bzw. zu den Reglern und der Quadro ist schon fast startklar !
... bei Verwendung des BEC eines Regler's als +5V-Versorgung muß noch auf der Unterseite (Lötseite) der Lötjumper S2 geschlossen werden !!

  ... die Software wird mittels dem kostenlosen ARDUINO-Tool generiert ... 
... in diesem werden im Konfigurationsbereich noch kopterspezifische Parameter eingestellt ... dann kompiliert ...


 und mit einer USB-Leitung in den Atmega-Prozessor 'geflasht' ... 
... eine passende Stiftleiste befindet sich auf der MWC-Platine ! 

 ... mittels dieser PC-Software (GUI) kann der Kopter recht komfortabel eingestellt werden !
 ... hier können auch die PID-Reglerwerte vorgegeben und die Gyrofunktionen überprüft werden !
TIP: als PID-Werte die Standartwerte nicht ändern ... wer's 'wendiger' will einfach nur RC-Rate erhöhen ... ab RC-Rate 2,5 ist Party !!

Hier findet man eine sehr detailierte Anleitung zur Inbetriebnahme / Programmierung einer MultiWii-Platine -->  www.microcopters.de


  ... wenn's mal wilder her geht ... Ersatzausleger bereit zum Einbau ! 

Mein 2. MultiWii-Kopter als Hexa in Alu/GFK

... da man die MultiWii-Steuerung ja auch für einen 'Hexa' (6 Motoren) verwenden kann ... musste da halt auch einer her  !

  ... diesmal mit Aluminiumauslegern aus dem Baumarkt ! 

 ... die Grundplatte entstand aus 2mm GFK auf meine CNC-Fräße ! 

 ... alle Regler-Akkuanschlüsse werden miteinander verlötet !

... die Motoren weiner Wahl ... KD-A22-20L ... Props 10x4,5" an 4S3300mAh ... 
... kräftig dimensioniert ... soll auch mal ne Spiegelreflex-Kamera tragen können !!
    

... so sieht er fertig aus ... allerdings noch mit 'Arducopter-Steuerung' !
    
... alle Leitungen zu den Motoren sind in den Auslegern 'verlegt' !

Mein 3. MultiWii-Kopter als Hexa in Alu/GFK im 'Alien'-Design ...  !! 



... am Anfang steht das Konstruieren ... für 10" Propeller und etwas kleiner für 8"-Props ... die GFK-Teile sind aber identisch !! 
 
    

  ... sieht doch schon gut aus !!

... wichtig ... Drehrichtungen und Montagerichtung der Platine muß passen !! 

... und fertig ist der Brummer !!
   

...  hier fliegen warthox und ich unsere "Alien-Hexa's" ... der mit dem roten Rücklicht ist meiner !

Mein 4. Mini-MultiWii-Kopter als Quadro in Alu/GFK 

... ausgelegt für 8"-Propeller 

   ... das soll's werden !! 
... diese KEDA-Motoren ... haben sich schon zigfach im Kopter bewährt ! 

 ... Aluprofil aus dem Baumarkt ... 16x7mm o.ä. ... werden noch schwarz 'kunststoffbeschichtet'  !  

 ... wie immer ... Drehrichtungen und Montagerichtung der Platine muß passen !! 
... das Fahrwerk wird von einem 450'er Heli verwendet, welches mit zwei dünnen Kevlarschnüren verstärkt wird ... schön und leicht !
... die Aluausleger werden vor dem Verschrauben mit schwarzer Folie beschichtet ... schick und schnell gemacht !
... die LED-Beluchtungsbänder sind direkt mit der Akkuspannung verbunden ... 3S --> 12V perfekt ... sobald Akku angesteckt wird's helle !
... oben und unten sind natürlich unterschiedliche Farben pflicht ... blau ist vorne ... volle Nachtflugtauglichkeit garantiert ! 
... Lipo 3S mit ca. 2200mAh und simpler 4-Kanalempfänger/Sender rein ... und los geht's ! 
... und fertig ist der 'Kleine' !!

2 3   

--> da sind wird ein bischen am 'Rumfliegen' : http://vimeo.com/33611932 

Mein MultiWii-Kopter als Hexa in Alu/GFK im 'Spider'-Design ...  !! 
... ausgelegt für 8"-Propeller 


      ... sieht einfach nur klasse aus !!

... Motoren die Gleichen wie beim Mini-MultiWii-Kopter ... KEDA A20-50 s.o.
... die Anordnung der Motoren beschreiben exakt einen Kreis ... auch wenn's nicht so aussieht !
... als Empfänger wird ein solcher mit Summen-PPM-Ausgang benötigt, da ansonsten zuwenig Anschlüsse für die beiden zusätzlichen Motoren ! 
... natürlich auch wieder für volle Nachtflugtauglichkeit durch entsprechende Beluchtung !


a    
  

--> so sieht der Spider im Flug aus: http://vimeo.com/23803992

 l .... auch hier geht's bald weiter !! 

von mir bisher eingesetzte Komponenten:

Akkus:               Lipo 3S1P 2200mAh und 3300mAh    
Regler:              Turnigy Plush 12Amp / Turnigy Plush 10Amp / Turnigy_20A / TURNIGY_Plush_18A 
Beleuchtung:   selbsklebende LED-Bänder / 12V 
andere Multiwii-Projekte :   www.microcopters.de ( sehr detailierte Baubeschreibung eines MultiWii-Copters ) 
Downloads :    
Videos: Videos von Warthox